
ENTDECKE DEN WELT DER SANIERUNG-PARTNER: PRÜM
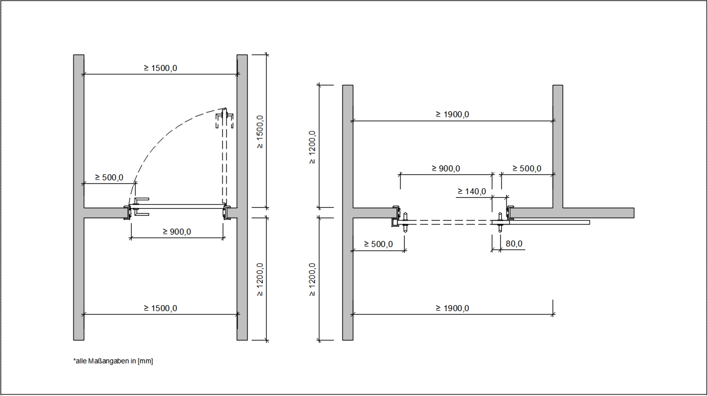
TÜRDURCHGÄNGE VERBREITERN UND NEUE INNENTÜREN EINBAUEN
Mache dein Projekt zu einem Ort, in dem Türöffnungen kein Hindernis darstellen. Die Gestaltung barrierefreier Türen sollte niemanden ausschließen und alle gewünschten Anforderungen berücksichtigen – von der behindertengerechten Ausstattung bis hin zum berührungslosen Öffnen einer Tür, wenn die Hände einfach nicht frei sind.
